Kernloser Permanent Magnet Scheibengenerator 1KW bei 2800RPM
Modell: PGAT-1KW-2800RPM-165
Version mit Außenrotor: Dreiphasenkabel kommen aus der festen Welle, Gehäuse dreht sich
Eigenschaften
Unsere kernlosen Scheibem Generatoren sind besonders für niedrige Umdrehungszahlen ausgelegt.
Sie haben einen sehr guten Wirkungsgrad, ein sehr niedriges Startdrehmoment und ein sehr gutes Verhältnis von Leistung zum Volumen und Gewicht.
1) Kernlos, Hysterese frei mit einem sehr niedrigem Startdrehmoment
2) Keine Eisenkern bedingten Verluste, hohe Effizienz
3) Einzigartige kernlosen Präzisionswickeltechnologie für Präzisionsspulen
4) Der Seltenerd-Permanentmagnet ist mehrpolig, hat eine hohe Leistungsdichte und eine hohe Ausgangsleistung
5) Direktantrieb mit niedriger Geschwindigkeit, keine Drehmomentschwankungen
6) Kompakte Struktur, hohes Verhältnis von Leistung zu Volumen
7) Keine Eisenkern bedingten Verluste, niedriger Heizwert, geringer Temperaturanstieg
8) Einfache Struktur, leicht zu installieren
9) Die bürstenlose Konstruktion ist Wartungsfrei
Spezifikationen
| Modell | PGAT-1KW-2800RPM-165 |
| Nennleistung | 1 KW |
| Nenndrehzahl | 2800 Umdrehungen pro Minute |
| Nennspannung | 220VAC |
| Nennstrom | 2,62A |
| Effizienz | >85% |
| Widerstand (Leitung-Leitung) | - |
| Wicklungstyp | Y |
| Isolationswiderstand | 100 MOhm Min. (500 V DC) |
| Höhe der Leckage | <5 ma |
| Startdrehmoment | <0,1 N/M |
| Phase | Dreiphasig |
| Struktur | Außenrotor |
| Stator | kernlos |
| Rotor | Permanentmagnet-Typ (Außenrotor) |
| Gehäusematerial | Aluminiumlegierung |
| Wellenmaterial | Stahl |
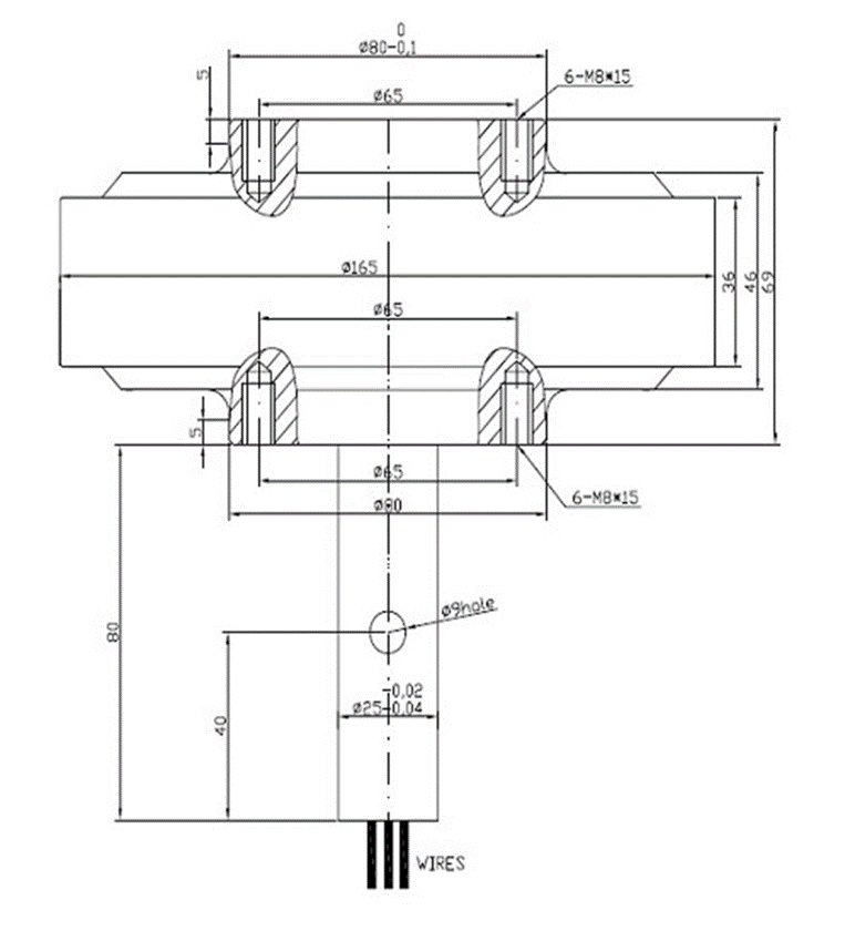
| Gen. Durchmesser | 165 mm |
| Gen. Länge | 69 mm |
| Welle. Durchmesser | 25 mm |
| Gen. Gewicht | 11 kg |
| Bruttogewicht | 4 kg |
Leistungskurve
Technische Zeichnung
Generatoren vom 100W bis 50KW
Unsere Generatoren erhalten Sie in verschiedensten Ausführungen von 100 W bis 50 kW.
Die Ausgangsleistung (V) kann nach Ihren Wünschen angepasst werden.
Diese Generatoren sind besonders für niedrige Umdrehungszahlen geeignet.
Die typischen Umdrehung Zahlen für diese Generatoren reichen von 50 Umdrehungen die Minute bis 2000 rpm.
Wenn Sie wissen bei welcher Umdrehungszahl Sie die Leistung erreichen möchten,
können wir Ihnen gerne ein konkretes Angebot unterbreiten.
Alle unsere Generatoren gibt es in 2 verschiedenen Ausführungen
Als Außenrotor und als Innenrotor.
Version mit Außenrotor: Dreiphasenkabel kommen aus der festen Welle, Gehäuse dreht sich
Version mit Innenrotor: Dreiphasenkabel kommen aus dem Gehäuse, Welle dreht sich
Sie sehen hier nur einen kleinen Ausschnitt unseres gesamten Generator Sortiments.
Unsere Systeme sind leistungsstark, kompakt und durchdacht
Informieren Sie sich über die technischen Möglichkeiten
am besten in einem Persönlichem Gespräch.